1991 Beretta V6 automatic wiring diagram
- themixer
- Registered User
- Posts: 1569
- Joined: Fri Aug 14, 2009 12:13 pm
- Location: Truro, Nova Scotia. Canada
1991 Beretta V6 automatic wiring diagram
While my motor is out of the car, I plan on finally having reverse lights from my 5 speed swap.
Does anyone have the factory service manual for this model year and can tell me on the automatic plug which wires trigger the reverse lights?
Does anyone have the factory service manual for this model year and can tell me on the automatic plug which wires trigger the reverse lights?
- 3X00-Modified
- Administrator
- Posts: 10920
- Joined: Thu Jul 05, 2007 9:18 am
- Location: Brooklyn CT
Re: 1991 Beretta V6 automatic wiring diagram
I don't have it with me but I have a 3t40 guide at home that will show which wire on the switch is used for the reverse.
- themixer
- Registered User
- Posts: 1569
- Joined: Fri Aug 14, 2009 12:13 pm
- Location: Truro, Nova Scotia. Canada
Re: 1991 Beretta V6 automatic wiring diagram
perfection! please let me know when you can!
Re: 1991 Beretta V6 automatic wiring diagram
Autozone.com has repair manuals/diagrams ect they might have one also, you have to make an account though.
1 Of 1 Street Legal Centri S/c Beretta's In Existance
- themixer
- Registered User
- Posts: 1569
- Joined: Fri Aug 14, 2009 12:13 pm
- Location: Truro, Nova Scotia. Canada
Re: 1991 Beretta V6 automatic wiring diagram
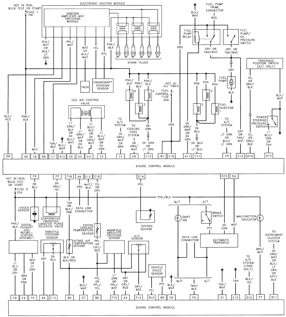
this is actually a really good diagram to have but its not labeled on this
- woody90gtz
- Registered User
- Posts: 4759
- Joined: Thu Jul 11, 2002 8:45 pm
- Location: Walton, NY
- Contact:
Re: 1991 Beretta V6 automatic wiring diagram
They have all been green/blue on the GMs I've worked on from that era.
91 "SS" - WOT 3400/5spd - 13.29@101.6 - World's fastest N/A FWD Beretta
96 "T56" LS/6spd/8.8 RWD swap - 13.45@104.7 lol
GEARHEAD dezign youtube
96 "T56" LS/6spd/8.8 RWD swap - 13.45@104.7 lol
GEARHEAD dezign youtube
- 3X00-Modified
- Administrator
- Posts: 10920
- Joined: Thu Jul 05, 2007 9:18 am
- Location: Brooklyn CT
Re: 1991 Beretta V6 automatic wiring diagram

I see this as light green... Pin F. There is a dark blue listed but that goes back to the fuse box.
- woody90gtz
- Registered User
- Posts: 4759
- Joined: Thu Jul 11, 2002 8:45 pm
- Location: Walton, NY
- Contact:
Re: 1991 Beretta V6 automatic wiring diagram
Yeah, it's an ign switched 12v blue wire to the backup switch, and green from the switch to the lights.
91 "SS" - WOT 3400/5spd - 13.29@101.6 - World's fastest N/A FWD Beretta
96 "T56" LS/6spd/8.8 RWD swap - 13.45@104.7 lol
GEARHEAD dezign youtube
96 "T56" LS/6spd/8.8 RWD swap - 13.45@104.7 lol
GEARHEAD dezign youtube