Cuts off at high RPMs (Limp Mode?)
Cuts off at high RPMs (Limp Mode?)
Well, I've been having this issue for a long time. I'm fed up with it, feel like I can't fully enjoy the 3500 swap. I drive the car a few times out of the week but got used to the issue. Its been there since the 3500 swap was done. Engine breaks off bad on high RPMs and heavy load. Did a log a while ago and noticed that it doesn't go past 4k rpms. (my tach gauge doesn't work)
-Car has a new walbro fuel pump
-new fuel filter
-new (used) maf
-new plugs
-new plug wires
-coil packs good / icm good
Maybe this log means something to somebody. Car cut off a few times during the log.
Also found this thread, I have the same issue and made me think that maybe it has to do something with the park/neutral switch.
http://www.beretta.net/forum/viewtopic. ... 8&start=15
Any suggestions?
-Car has a new walbro fuel pump
-new fuel filter
-new (used) maf
-new plugs
-new plug wires
-coil packs good / icm good
Maybe this log means something to somebody. Car cut off a few times during the log.
Also found this thread, I have the same issue and made me think that maybe it has to do something with the park/neutral switch.
http://www.beretta.net/forum/viewtopic. ... 8&start=15
Any suggestions?
- Attachments
-
log1 - Copy.zip- (47.99 KiB) Downloaded 381 times
Last edited by Quad4Z26 on Mon Jul 27, 2015 8:44 pm, edited 1 time in total.

1of 896 Quad4 Z26's....now 3500 5spd swapped!-sold
'14 C7 Z51 7SPD
- SuzukiGhostRider
- Registered User
- Posts: 2464
- Joined: Tue Feb 12, 2008 4:07 am
- Location: Milan NM
- Contact:
Re: Cuts off at high RPMs
Did you swap auto for 5 speed? If so your auto governor is kicking on. You need to reflash the ecm to 5 speed settings.
- 3X00-Modified
- Administrator
- Posts: 10920
- Joined: Thu Jul 05, 2007 9:18 am
- Location: Brooklyn CT
Re: Cuts off at high RPMs
No he actually needs to fix the park neutral switch to have it tell the ecu it's in Drive... If he just removes the park neutral limiter the calibrations used won't be right since they are tagged for use when in drive.
That is if it's truly the limiter kicking in. I have to look at the log.
Just checked the log, In the log the O2 volts drop to zero when it hits 4k, You have the P/N switch in wrong and set for park or neutral which enables a 4k fuel cut off.
There are also many other issues with this install that I tried to troubleshoot via the web when you wanted me to send you a bin for it. As noted on 60degree the fuel trims are way off so something on the car doesn't match what you had me enter for values if your still using the bin I sent. It's maxing out the Long term fuel trim and almost maxing out the STFT at the same time to get enough fuel. That tells me your not running the fuel injectors it's set for or your having another fuel delivery issue even with all of the other parts you've replaced in that system.
This is something I try to explain to people... I can do a bin for close settings but the car needs to be logged and tweaked after that is done because it's never spot on. Factory tables are a starting point and never perfect.
That is if it's truly the limiter kicking in. I have to look at the log.
Just checked the log, In the log the O2 volts drop to zero when it hits 4k, You have the P/N switch in wrong and set for park or neutral which enables a 4k fuel cut off.
There are also many other issues with this install that I tried to troubleshoot via the web when you wanted me to send you a bin for it. As noted on 60degree the fuel trims are way off so something on the car doesn't match what you had me enter for values if your still using the bin I sent. It's maxing out the Long term fuel trim and almost maxing out the STFT at the same time to get enough fuel. That tells me your not running the fuel injectors it's set for or your having another fuel delivery issue even with all of the other parts you've replaced in that system.
This is something I try to explain to people... I can do a bin for close settings but the car needs to be logged and tweaked after that is done because it's never spot on. Factory tables are a starting point and never perfect.
Re: Cuts off at high RPMs
I'm still using everything the same, injectors which I pulled from a 3.4 dohc. Would a bad injector be causing the fuel trims to be off? Still using the ecu you flashed for me.
Another thing, what do I do to the damn park/neutral switch. Put it in drive and short the yellow and purple wires?
Forgot to mention, p0171 keeps popping up. System too lean. Sometimes at idle it sounds like if it's cammed. Sounds good though. Lol
Another thing, what do I do to the damn park/neutral switch. Put it in drive and short the yellow and purple wires?
Forgot to mention, p0171 keeps popping up. System too lean. Sometimes at idle it sounds like if it's cammed. Sounds good though. Lol

1of 896 Quad4 Z26's....now 3500 5spd swapped!-sold
'14 C7 Z51 7SPD
- 3X00-Modified
- Administrator
- Posts: 10920
- Joined: Thu Jul 05, 2007 9:18 am
- Location: Brooklyn CT
Re: Cuts off at high RPMs
If it's not cammed then that's bad... lol
A bad injector will definitely cause bad fuel trims, and the P0171 code points to a major fuel delivery issue... So if you've changed everything else then yes you need to look at the injectors now.
Regarding the P/N switch you need to do what is advised in the 5-speed swap information that is on this forum... If there is any... Bottom line you need to set it for Drive to eliminate the limiter and make the ECU run in the proper mode. Then you need to disconnect the safety portion of it and that SHOULD be wired to a switch on your clutch pedal to imitate or become a clutch safety switch so it can't be started without that depressed.
A bad injector will definitely cause bad fuel trims, and the P0171 code points to a major fuel delivery issue... So if you've changed everything else then yes you need to look at the injectors now.
Regarding the P/N switch you need to do what is advised in the 5-speed swap information that is on this forum... If there is any... Bottom line you need to set it for Drive to eliminate the limiter and make the ECU run in the proper mode. Then you need to disconnect the safety portion of it and that SHOULD be wired to a switch on your clutch pedal to imitate or become a clutch safety switch so it can't be started without that depressed.
-
heavywoody
- Global Moderator
- Posts: 1991
- Joined: Sun Nov 03, 2002 4:10 pm
- Location: Concord, NC
- Contact:
Re: Cuts off at high RPMs
You should solder/connect the yellow and purple 8 gauge wires at the switch (the switch acts as a neutral/safety switch for the automatics); this will bypass it so you can install the correct one under the clutch pedal. For the wiring under the dash, just connect the clutch safety switch inline in the wiring coming down from the ignition switch (I believe it was a yellow 8 gauge wire here, might be purple but it's the only 8 gauge wire under there).
Geoff
95 Z26 Turbo 3400 5spd - R&D Project
Beretta Preservation Society - Director of Acquisitions

95 Z26 Turbo 3400 5spd - R&D Project
Beretta Preservation Society - Director of Acquisitions

Re: Cuts off at high RPMs
Yes, I currently have the yellow and purple wires soldered together. BUT, I don't have the p/n switch installed. My car was original manual so it has the clutch safety switch. That's what's wrong, it needs the actual switch to be in drive mode.

1of 896 Quad4 Z26's....now 3500 5spd swapped!-sold
'14 C7 Z51 7SPD
- 3X00-Modified
- Administrator
- Posts: 10920
- Joined: Thu Jul 05, 2007 9:18 am
- Location: Brooklyn CT
Re: Cuts off at high RPMs
If your using an automatic harness then yes you need that selector installed to indicate that the car is in Drive, OR you need to connect the right wires together from those plugs. Geoff has his harness modified to eliminate that switch but it's modified in a way to indicate Drive.
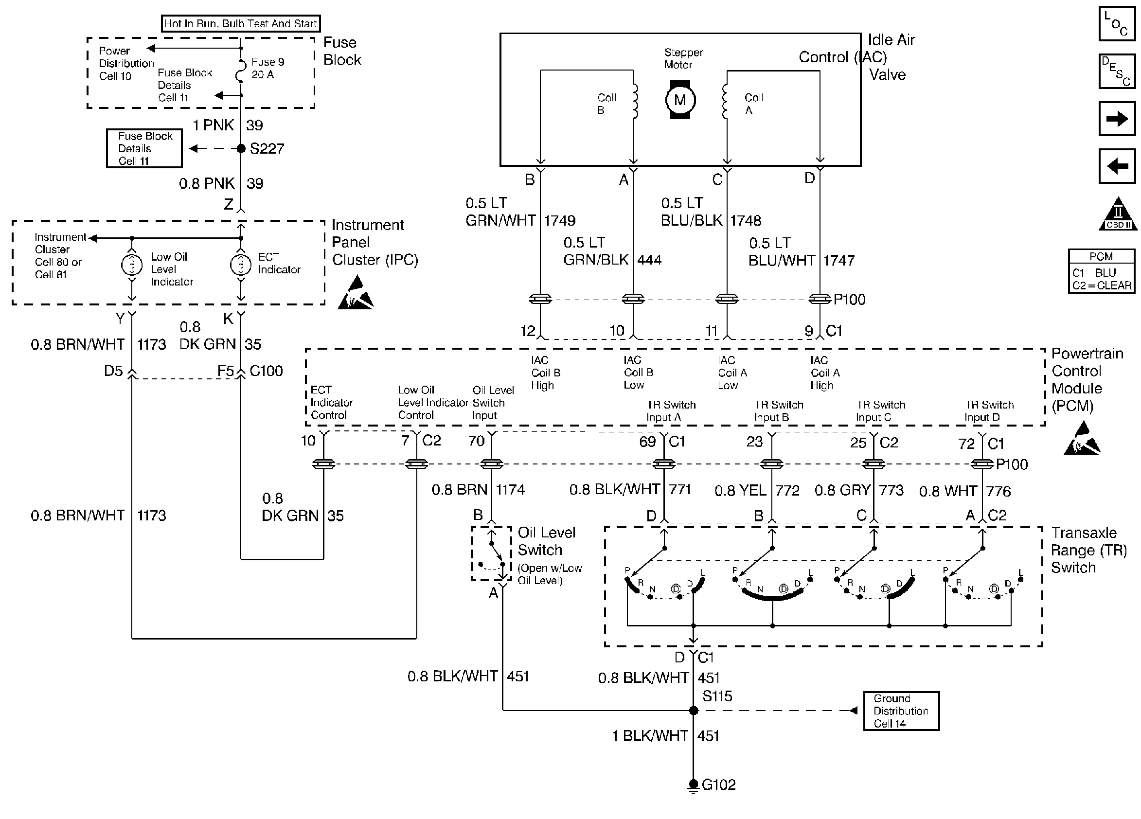
If I'm reading this diagram correctly You would want to connect the Gray and Yellow wires to ground to indicate it's in OD. I believe this is from the other larger plug, not the one with the 8 gauge wires that control the starting circuit.
That Yellow goes to Trans Range SW "B" In
Gray goes to Trans Range SW "C" In
Don't take my word on this because I'm not familiar with how to eliminate the switch, I'm just reading the diagram's which are a bit tricky sometimes.
If I'm reading this diagram correctly You would want to connect the Gray and Yellow wires to ground to indicate it's in OD. I believe this is from the other larger plug, not the one with the 8 gauge wires that control the starting circuit.
That Yellow goes to Trans Range SW "B" In
Gray goes to Trans Range SW "C" In
Don't take my word on this because I'm not familiar with how to eliminate the switch, I'm just reading the diagram's which are a bit tricky sometimes.
Re: Cuts off at high RPMs
That's the exact same diagram I used. Well you posted on another thread lol. I'll figure out the p/n switch, just never crossed my mind!
Now for the injectors, I still have the original LX9 ones. Could I use those? The reason I got the dohc injectors was for plug and play. (Connector wise)
Now for the injectors, I still have the original LX9 ones. Could I use those? The reason I got the dohc injectors was for plug and play. (Connector wise)

1of 896 Quad4 Z26's....now 3500 5spd swapped!-sold
'14 C7 Z51 7SPD
-
RobertISaar
- Registered User
- Posts: 98
- Joined: Tue Nov 27, 2012 7:14 pm
Re: Cuts off at high RPMs
this is using a 95 3100 beretta switch for reference, but I don't know what switch you're planning on using, they differ quite a bit depending on original application.
http://i.imgur.com/tAinzeK.png
with no range switch, all inputs should be detected as "low", which should set a DTC(assuming it wasn't disabled). with this exact switch, to indicate 4th, you would need to connect the PCM's B and C circuits to a switched +12V and the P and A circuits to ground.
http://i.imgur.com/tAinzeK.png
with no range switch, all inputs should be detected as "low", which should set a DTC(assuming it wasn't disabled). with this exact switch, to indicate 4th, you would need to connect the PCM's B and C circuits to a switched +12V and the P and A circuits to ground.
- 3X00-Modified
- Administrator
- Posts: 10920
- Joined: Thu Jul 05, 2007 9:18 am
- Location: Brooklyn CT
Re: Cuts off at high RPMs
He's using a 96 switch... Not sure if there is a 12v positive that is used in that setup as the diagram I posted shows a common ground. I could double check my manual tonight to verify what the inputs should be to indicate drive, or 4th.
LX9 injectors can not be used with the 3400 fuel rails because they are too short, you would need the 3500 rail which would mean setting up custom fuel lines seeing how you can't mount a regulator to it like the 3400 rail...
Best injectors for a 3500 application would be the trailblazer 28lb injectors. 3400 ones are only 19lbs and I'm not positive on the LX9's but I know they were more than the 3400's. I also do not know what the 3.4 DOHC ones you have flow.
LX9 injectors can not be used with the 3400 fuel rails because they are too short, you would need the 3500 rail which would mean setting up custom fuel lines seeing how you can't mount a regulator to it like the 3400 rail...
Best injectors for a 3500 application would be the trailblazer 28lb injectors. 3400 ones are only 19lbs and I'm not positive on the LX9's but I know they were more than the 3400's. I also do not know what the 3.4 DOHC ones you have flow.
Re: Cuts off at high RPMs
Messed with it a few tonight, couldn't get the dang p/n in drive!! Tried all different positions still wouldn't Rev past 4k.
Yellow and gray to common ground. Same. Tried to 12v. Same problem.

Yellow and gray to common ground. Same. Tried to 12v. Same problem.

1of 896 Quad4 Z26's....now 3500 5spd swapped!-sold
'14 C7 Z51 7SPD
-
Cliff8928
- Administrator
- Posts: 1775
- Joined: Wed Mar 03, 2004 10:03 pm
- Location: Long Grove, IL
- Contact:
Re: Cuts off at high RPMs
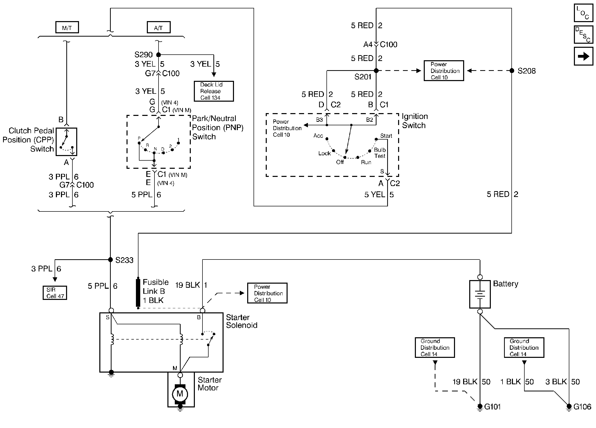
Here's the official 96 wiring diagrams from the service manual.
Cliff Scott


-
heavywoody
- Global Moderator
- Posts: 1991
- Joined: Sun Nov 03, 2002 4:10 pm
- Location: Concord, NC
- Contact:
Re: Cuts off at high RPMs
For what it's worth, when I originally did my swap, I only spliced the yellow and purple wires (8 gauge). Rotated to drive, and left it alone.
Geoff
95 Z26 Turbo 3400 5spd - R&D Project
Beretta Preservation Society - Director of Acquisitions

95 Z26 Turbo 3400 5spd - R&D Project
Beretta Preservation Society - Director of Acquisitions

- 3X00-Modified
- Administrator
- Posts: 10920
- Joined: Thu Jul 05, 2007 9:18 am
- Location: Brooklyn CT
Re: Cuts off at high RPMs
That's all he should have to do, but it sounds like there is something else wrong with his swap which is preventing that from working properly.
