Tachometer Install?

Want to know how to get more out of your Beretta? Or have a mod you would like to share?
User avatar
ethoward
Registered User
Posts: 9
Joined: Fri Jun 09, 2017 9:35 pm

Tachometer Install?

Post by ethoward »

So I've looked all over the internet and unable to find anything. I've got a 1996 beretta base model with z26 modifications and some gtu in the mix. Shes got a 3.1l v6. Basically I bought an after market tachometer. I have a general idea where to connect the green wire (tach wire) to the coil module. But... i dont know which wire to connect the tach wire to on the coil. This model of my beretta has just the base dash.

Thanks! Eric
User avatar
themixer
Registered User
Posts: 1569
Joined: Fri Aug 14, 2009 12:13 pm
Location: Truro, Nova Scotia. Canada

Re: Tachometer Install?

Post by themixer »

You can just install a full oem cluster
User avatar
3X00-Modified
Administrator
Posts: 10920
Joined: Thu Jul 05, 2007 9:18 am
Location: Brooklyn CT

Re: Tachometer Install?

Post by 3X00-Modified »

96 Full cluster is hard to come by... Regarding the coil wire there isn't one leaving there on a 96 anymore. If you can get a wiring diagram there should be a white wire that leaves the ECU and goes to the cluster. That's the wire that you need to pick up from to run an aftermarket tach... But I agree. If you can find a stock cluster its a drop in swap and just need to change the oil pressure sending unit for one that is typically found on a Z26 the "analog version" not the digital one that is meant for just an oil pressure light.

There is currently ONE cluster on ebay for $50

http://www.ebay.com/itm/96-CORSICA-SPEE ... 26&vxp=mtr
Mr.Pink
Supreme Unit
Sleepy Goodness
"Beretta Guy"
User avatar
themixer
Registered User
Posts: 1569
Joined: Fri Aug 14, 2009 12:13 pm
Location: Truro, Nova Scotia. Canada

Re: Tachometer Install?

Post by themixer »

I have a cluster, but it's in Canadian
User avatar
ethoward
Registered User
Posts: 9
Joined: Fri Jun 09, 2017 9:35 pm

Re: Tachometer Install?

Post by ethoward »

3X00-Modified wrote:96 Full cluster is hard to come by... Regarding the coil wire there isn't one leaving there on a 96 anymore. If you can get a wiring diagram there should be a white wire that leaves the ECU and goes to the cluster. That's the wire that you need to pick up from to run an aftermarket tach... But I agree. If you can find a stock cluster its a drop in swap and just need to change the oil pressure sending unit for one that is typically found on a Z26 the "analog version" not the digital one that is meant for just an oil pressure light.

There is currently ONE cluster on ebay for $50

http://www.ebay.com/itm/96-CORSICA-SPEE ... 26&vxp=mtr
So where is the ECU Located? So if i do find the ecu theres a white wire on the harness and thats the tach wire? The aftermarket tach i bought is this http://www.autozone.com/gauges-and-gaug ... 255935_0_0
Now the instructions say connect it to the distributor but the beretta has coils, so i kinda assumed that it would connect to the coil but that's why i wanna make sure with people who actually know. Thanks!
User avatar
3X00-Modified
Administrator
Posts: 10920
Joined: Thu Jul 05, 2007 9:18 am
Location: Brooklyn CT

Re: Tachometer Install?

Post by 3X00-Modified »

The 96 beretta does not have a "tach" signal wire leaving the coil pack like it had in previous years. With the introduction to OBDII they changed how the dash received the tach signal and it was sent by the ECU. My suggestion is to get a haynes manual and look at the wiring diagram to find the wire you need. The ECU is located behind the glove box.

I still think it would be wiser to just get the stock cluster that is on ebay for $50. Way cleaner and easier install.
Mr.Pink
Supreme Unit
Sleepy Goodness
"Beretta Guy"
User avatar
ethoward
Registered User
Posts: 9
Joined: Fri Jun 09, 2017 9:35 pm

Re: Tachometer Install?

Post by ethoward »

3X00-Modified wrote:The 96 beretta does not have a "tach" signal wire leaving the coil pack like it had in previous years. With the introduction to OBDII they changed how the dash received the tach signal and it was sent by the ECU. My suggestion is to get a haynes manual and look at the wiring diagram to find the wire you need. The ECU is located behind the glove box.

I still think it would be wiser to just get the stock cluster that is on ebay for $50. Way cleaner and easier install.

Know anywhere that sells a haynes manual? Ive looked and no luck so far. Preferably amazon?
User avatar
ifixalot
Registered User
Posts: 668
Joined: Tue Dec 26, 2006 10:56 am
Location: Deerfield Illinois

Re: Tachometer Install?

Post by ifixalot »

HPIM1406.JPG
HPIM1405.JPG
This are from the 88-96 Beretta Chilton manual. Maybe this will help.
User avatar
ethoward
Registered User
Posts: 9
Joined: Fri Jun 09, 2017 9:35 pm

Re: Tachometer Install?

Post by ethoward »

Okay so i found a haynes manual and ordered it. I was also looking behind the glovebox. Which is the ECU? Theres a big metal box with what looks like a big heat sink surrounding it and then there is a smaller box to the right of it.
User avatar
ifixalot
Registered User
Posts: 668
Joined: Tue Dec 26, 2006 10:56 am
Location: Deerfield Illinois

Re: Tachometer Install?

Post by ifixalot »

ECU is the box that looks like a heat sink. If you go to Ebay and search for a 96 ECU, you will see listings and pics of said part.
User avatar
ethoward
Registered User
Posts: 9
Joined: Fri Jun 09, 2017 9:35 pm

Re: Tachometer Install?

Post by ethoward »

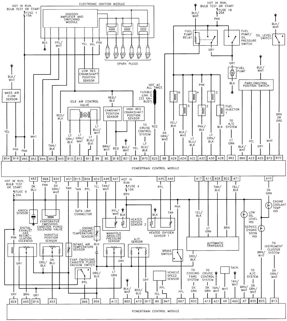
So I got my Haynes manual located the PCM and... There's 3 white wires connected to the pcm, I have no clue to which of the white wires is for the tach, now I have everything but the tach wire connected. It looks like there's 4 wire clusters connecting to the pcm and 3 of them have a complete white wire. The diagram shown in the manual does not completely specify what wire harness connects in the overall car. Now if there's a more direct connection under the steering column what harness should I be looking for? Thank you guys so much! I can't wait till I have this all hooked up.
Attachments
Wire harness under steering column
Wire harness under steering column
Pcm
Pcm
User avatar
ethoward
Registered User
Posts: 9
Joined: Fri Jun 09, 2017 9:35 pm

Re: Tachometer Install?

Post by ethoward »

Okay so i found the tach signal wire... On the PCM It's connecter A cable 9 WHITE. ONE ISSUE THO.... its a digital output... my aftermarket tach is analog... now how do i convert the tach signal from digital to the analog signal? I was looking online for a converter and I dont know what would work in this application tho. Does anyone know what type of converter would work from the pcm?
Attachments
0900c152800a76a7.gif
User avatar
3X00-Modified
Administrator
Posts: 10920
Joined: Thu Jul 05, 2007 9:18 am
Location: Brooklyn CT

Re: Tachometer Install?

Post by 3X00-Modified »

The PCM outputs a voltage signal... The fact that your gauge displays an Analog RPM does not mean you can't feed that signal into the tach. The only thing you will have to do is verify the "cylinder" setting on the tach results in the proper RPM output. A V6 setting may not work if the tach is expecting to see a specific voltage range... but I believe the PCM output should be correct.
Mr.Pink
Supreme Unit
Sleepy Goodness
"Beretta Guy"
User avatar
3X00-Modified
Administrator
Posts: 10920
Joined: Thu Jul 05, 2007 9:18 am
Location: Brooklyn CT

Re: Tachometer Install?

Post by 3X00-Modified »

ifixalot wrote:
HPIM1406.JPG
HPIM1405.JPG
This are from the 88-96 Beretta Chilton manual. Maybe this will help.
Sadly for Chilton... This only applies to the pre 96 cars where the Ignition control Module under the coils fed the tach, in 96 it changed to the PCM feeding that signal.
Mr.Pink
Supreme Unit
Sleepy Goodness
"Beretta Guy"
User avatar
ethoward
Registered User
Posts: 9
Joined: Fri Jun 09, 2017 9:35 pm

Re: Tachometer Install?

Post by ethoward »

3X00-Modified wrote:The PCM outputs a voltage signal... The fact that your gauge displays an Analog RPM does not mean you can't feed that signal into the tach. The only thing you will have to do is verify the "cylinder" setting on the tach results in the proper RPM output. A V6 setting may not work if the tach is expecting to see a specific voltage range... but I believe the PCM output should be correct.
The PCM has a different wave length pulse then what my tach can read, My tach reads from 4 to 6 to 8 cyl engines but since there is no converter for the pulse rate, i need to get a tach adapter; http://www.autozone.com/gauges-and-gaug ... 373324_0_0 ; but in simple terms, i need to get the tach signal directly from the coil packs.
Post Reply